世界杯网页版_世界杯(中国) PMP410 OEM世界杯网页版_世界杯(中国)
类型:通用型
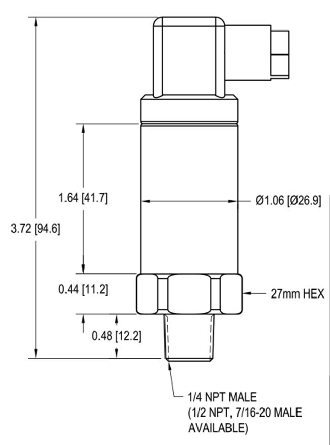
型号:PMP410
行业:雪鞋测试、电阻点焊、软管膨胀压力测量
型号:PMP410
行业:雪鞋测试、电阻点焊、软管膨胀压力测量




| 量程 | 15,25,50,100,300,500,1000,2000,3000,5000,10000 PSI |
| 非线性 | ±0.5% of RO(BFSL);±1% of R.O(End Point) |
| 迟滞性 | ±0.16% of RO |
| 不可重复性 | ±0.1% of RO |
| 额定输出 | 0~10 VDC |
| 激励 | 14~30 VDC |
| 重量 | 80 g |
| 材质 | 不锈钢 |
| 操作温度 | -40 to +80 ℃ |
| 补偿温度 | 0 to +80 ℃ |
| 温度漂移零点 | 0.036% of RO/℃ |
| 温度漂移范围 | 0.036% of Load/℃ |
| 响应时间 | ≤4 ms |




电话020-85262155
邮箱sales@omgl.com.cn